|
|
| SWT’s twelve and twenty-two round multi-cartridge housing models are designed for flow rates up to 600 gpm. Available in a variety of stack configurations, the standard models all feature stainless steel construction with poly-coat finish, easy access covers for quick change-outs, heavy duty mounting legs, and FDA grade Buna-N gaskets. A variety of pipe connection styles and sizes are available to match your application. |
 |
| FEATURES |
| • |
Designed for industrial and commercial filtration needs |
| • |
Design pressure: 150 psig (10.3 bar) @ 300ºF (149ºC) |
| • |
Heavy duty stainless steel construction for durability |
| • |
Band clamp or swing bolt closures for quick cartridge change-outs |
| • |
Heavy duty mounting legs standard |
| • |
Flange inlet and outlet connections allow for easy piping |
| • |
Knife edge seals eliminate bypass on DOE cartridges |
| • |
Top spring seals allow for cartridge length variations |
| • |
Accepts DOE cartridges (222 and 226 style adapters are optional) |
|
|
|
| |
| |
| OPTIONS AND ADD-ONS |
Closure Style
V-Band Clamp or Swing Bolt |
Material
304L Stainless Steel or 316L Stainless Steel |
Cartridge Type
Double Open Ended Style (Standard); 222 Style (Fin or Flat); 226 Style (Fin or Flat) |
Connection Size
2 inch; 3 inch (Standard for 12 Round Models); 4 inch (Standard for 22 Round Models) |
Connection Type
Flange (Standard); Ferrules; Grooved Fittings |
Finish
Poly Coat on Exterior Surfaces (Standard); Electro-Polished; Glass Bead; Passivate |
Gaskets
Buna N (Standard); EPR; Silicone; Viton; Teflon Encapsulated Silicone |
Extras
Gauge Ports; Gauge Ports with Gauges |
| |
| |
| 12 & 22 ROUND CARTRIDGE HOUSINGS |
Part
Number |
Cartridges |
Flow Rate
GPM ** |
Connection Size |
Ship Wt Lbs |
Number
Per Unit |
Length
Inches * |
Maximum
Diameter† |
Pipe
MNPT |
Drain
FNPT |
Vent
FNPT |
Clamp
Style |
Swing Bolt
Style |
| YH22724 |
12 |
20 |
2.75 |
168 |
3 |
0.5 |
0.25 |
86 |
131 |
| YH22736 |
12 |
30 |
2.75 |
252 |
3 |
0.5 |
0.25 |
92 |
142 |
| YH22748 |
12 |
40 |
2.75 |
336 |
3 |
0.5 |
0.25 |
100 |
150 |
| YH22766 |
22 |
30 |
2.625 |
462 |
4 |
0.5 |
0.5 |
140 |
205 |
| YH22788 |
22 |
40 |
2.625 |
616 |
4 |
0.5 |
0.5 |
165 |
225 |
|
| * |
Equivalent lengths accepted: 10 inch = (9.75 or 10 inch); 20 inch = (19.5 or 20 inch); 30 inch = (29.25 or 30 inch); 40 inch = (39 or 40 inch) |
| ** |
Based on 7 gpm per 10 inch length with a 25 micron wound cartridge at 2 psid clean and a viscocity of 1 cps. Flow rates are for guidelines only. Actual flow rates are based on fluid, viscocity, cartridge type, micron ratings, and other factors. |
| † |
When using 222 or 226 adapters with the 22 Round models you must change it to a 21 Round for 2.75 inch O.D. cartridges. |
|
| |
| |
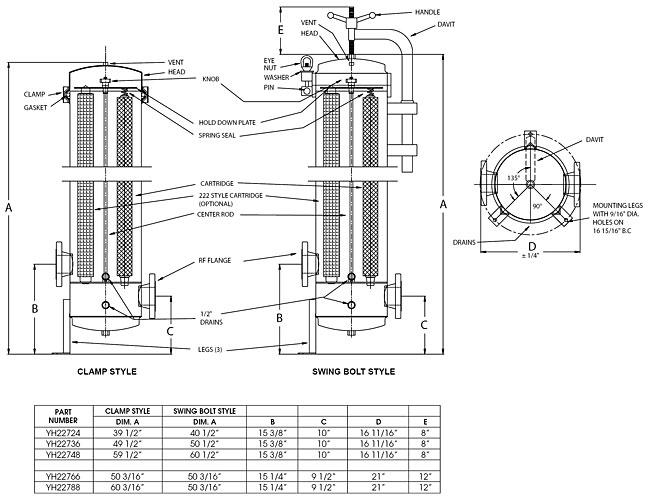
| DIMENSIONS |
| DOWNLOAD PDF TO VIEW ENLARGED VERSION |
 |
| |
| |
| |
 |
 |
|
| |
Gauge port assembly
with mounting legs |
Electro-polish |
|
|
| |