Valves
swtwater.com Aquamatic K55 Series
Composite Diaphragm Valves
 
Request For Quote
AquaMatic K55 Series Composite Diaphragm Valve
AquaMatic K55 Series Composite Diaphragm Valves with glass-filled thermoplastic body and cap are designed for water treatment applications including those requiring acids, and harsh caustic chemicals that would rapidly corrode metal valves. Their unique Y-pattern design with a large seat opening and high lift disc permits higher flow rates at lower pressure loss than competitive valves. This product is manufactured in the United States of foreign and domestic parts.
 
 
Typical Applications
Chemical Injection
Deionizers
Fertilizer Spray Equipment
Metal Recovery Systems
Mining Wastes
Process Water Systems
Water Treatment Systems
Features and Benefits
All components can be serviced while the valve is inline
Separate flow and control chambers permit positive closing without springs
Isolated bonnet assures no cross connection between line and control fluid
Reinforced diaphragms are pre-formed and stress relieved to maximize responsiveness and product life
Diaphragm acts as an actuator, eliminating the need for electric or pneumatic actuators
All internal parts in contact with media are made of composite materials
Seals are ethylene propylene for better chemical resistance *
Available in sizes from 1/2 to 2 inch
A variety of end connectors are available to make the valve compatible in pipe sizes from 3/8 to 3 inch
Adaptable to a wide variety of control devices
* Valves are NOT recommended for use with any aromatic, hydrocarbon-based media.
 
 
 
Operating Specifications
Max Pressure: 125 psi (8.6 bar)
Max Temperature: 140°F (60°C)
Options
Normally open (standard)
Failsafe spring closed 30, 60, and 100 psi
Limit stop for flow control
Seal and diaphragm materials for special applications
 
 
 
Principles of Operation
Open K55 Diaphragm Valve Drawing
 
Closed K55 Diaphragm Valve Drawing
 
 
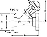
Dimensions and Weights
K55 Union End Connectors Dimensions Drawing K55 Female Socket Weld End Connectors Dimensions Drawing K55 Male Socket Weld End Connectors Dimensions Drawing
Union
End Connectors
Female Socket Weld
End Connectors
Male Socket Weld
End Connectors
 
K55 Grooved Adapter End Connectors Dimensions Drawing K55 Flanged End Connectors Dimensions Drawing
Grooved Adapter
End Connectors
Flanged
End Connectors
 
Model
Number
Pipe
Size
Inch
(mm)
Cv
(Kv)
End
Connector
Style
Approximate Dimensions
Inch (mm)
A B C D E F
K5520 1/2
(15)
4.0
(3.5)
Union 7.00
(178)
3.94
(100)
4.87
(124)
K5521 1
(25)
15.0
(13.0)
Union 9.00
(229)
5.58
(142)
6.31
(160)
K5524 1-1/2
(40)
38.0
(32.8)
Union 12.50
(318)
7.94
(202)
9.31
(236)
K5524 2
(50)
41.0
(35.5)
Socket
Weld
10.50
(267)
7.94
(202)
K5520 1/2
(15)
4.0
(3.5)
Grooved
Adapter
7.00
(178)
3.94
(100)
3.93
(100)
K5521 1
(25)
15.0
(13.0)
Grooved
Adapter
9.00
(229)
5.58
(142)
4.50
(114)
K5524 1-1/2
(40)
38.0
(32.8)
Grooved
Adapter
12.50
(318)
7.94
(202)
7.75
(197)
K5524 2
(50)
41.0
(35.5)
Flanged 9.00
(229)
7.94
(202)
6.00
(152)
0.75
(19.1)
4.75
(121)
0.69
(17.5)
 
 
K55 Performance Curves
 
 
Ultraviolet Systems
Residential Systems
Accessories & Tools
Chemicals
  Drinking Water Systems
Commercial & Industrial
Media and Resins
Product Manuals
Reverse Osmosis Systems
Components
Filter Housings & Cartridges
Request For Quote
Safe Water Technologies, Inc.
996 Bluff City Boulevard
Elgin, IL 60120 USA
 
tele: +1.847.888.6900
 fax: +1.847.888.6924
email: info@swtwater.com
https://www.swtwater.com

Last Updated: August 4, 2025