|
| SWT’s Custom Tank Heads and Manifolds are machined from solid PVC bar stock for maximum reliability in the field. These are ideal for common applications such as: deionization (DI) systems, carbon filters, sediment filters, neutralizers, and portable water softeners. They can also be machined from CPVC, polypropylene, teflon, or PVDF to meet your application’s required specification. |
CLICK PHOTOS TO ENLARGE |
 |
|
 |
|
 |
|
 |
|
 |
| SM-T481S7 |
|
SM-T481S75FPIS |
|
SM-T2581S11 |
|
SM-T481S6 |
|
SM-T481S75FPIS |
|
| |
| |
| TECHNICAL SPECIFICATIONS |
|
Maximum recommended operating
temperature |
140ºF (60ºC) |
Maximum recommended operating
pressure |
150 PSI (10 Bar) |
| Standard material of construction |
PVC & EPDM |
|
|
 |
|
 |
| Chamfer O-ring Seal |
|
Face O-ring Seal |
|
|
| |
| |
In, Rinse/Fill, and Out the Top (Riser Port is Off Center) |
 |
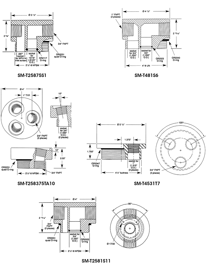
| Part Number |
Tank Thread |
Inlet/
Outlet
FNPT |
Center
Riser
Port |
Inlet
Screen
Part No. |
SM-T258375TA1P View photo |
2.5" #8 NPSM |
3/4" |
3/4" FNPT |
SM-L87504510 |
| SM-T4531T7 |
4.5" Buttress |
1" |
1" |
SM-ST10610 |
|
|
| |
| |
In One Side...Out the Other...with Fill Port |
 |
| Part Number |
Tank Thread |
Inlet/
Outlet
FNPT |
Center
Riser
Port |
Inlet
Screen
Part No. |
| SM-T258375S175FP* |
2.5" #8 NPSM |
3/8" |
13/16" |
SM-MPU14 |
| SM-T2585S175FP* |
2.5" #8 NPSM |
1/2" |
13/16" |
SM-MPU14 |
SM-T25875S75F* View photo |
2.5" #8 NPSM |
3/4" |
13/16" |
SM-MPU14 |
SM-T25875S75F1* View photo |
2.5" #8 NPSM |
3/4" |
13/16" |
SM-MPU14 |
SM-T25875S75F1-NP (no plug) View photo |
2.5" #8 NPSM |
3/4" |
13/16" |
SM-MPU14 |
SM-T25875S75F1-NP-SC (no plug) View photo |
2.5" #8 NPSM |
3/4" |
13/16" |
SM-MPU14 |
SM-T25875SF-PP*
View photo |
2.5" #8 NPSM |
3/4" |
1/2" |
SM-MPU14 |
SM-T481S71F† View photo |
4"#8 UN |
1" |
3/4"
|
n/a |
| * |
Includes 3/4 inch fill port and ABS fill plug with EPDM o-ring. |
| † |
Includes 1 inch fill port and ABS fill plug with EPDM o-ring. |
|
|
| |
| |
In One Side...Out the Other |
 |
| Part Number |
Tank Thread |
Inlet/
Outlet
FNPT |
Center
Riser
Port |
Inlet
Screen
Part No. |
| SM-T258375S1* |
2.5" #8 NPSM |
3/8" |
13/16" |
SM-MPU14 |
SM-T2585S1*
View photo |
2.5" #8 NPSM |
1/2" |
13/16" |
SM-MPU14 |
| SM-T25875S1* |
2.5" #8 NPSM |
3/4" |
13/16" |
SM-MPU14 |
SM-T25875S11-PP
View photo |
2.5" #8 NPSM |
3/4" |
3/4" |
N/A |
SM-T2581S11*
View photo |
2.5" #8 NPSM |
1" |
3/4" |
SM-US105 |
SM-T2581S11-PP-BUNA
View photo |
2.5" #8 NPSM |
1" |
3/4" |
SM-US105 |
SM-T2581S7 View photo |
2.5" #8 NPSM |
1" |
1" |
Included |
| SM-T4875S1* |
4" #8 UN |
3/4" |
13/16" |
SM-MPU14 |
SM-T481S6*
View photo |
4" #8 UN |
1" |
3/4" |
SM-ST750610 |
SM-T481S6PK
View photo |
4" #8 UN |
1" |
3/4" |
SM-ST750510
SM-ST750610 |
SM-T4815S15R* †
View photo |
4" #8 UN |
1-1/2" |
1-1/2" |
SM-US3381015‡ View photo
SM-US3691510§ View photo |
SM-T48251SR
View photo |
4" |
2" |
1-1/2" |
SM-US3381015‡
View photo
SM-US3691510§
View photo |
| SM-T4575S1* |
4.5" Buttress |
3/4" |
13/16" |
SM-MPU14 |
| SM-T451S6* |
4.5" Buttress |
1" |
3/4" |
SM-ST750610 |
| * |
Chamfer O-ring Seal standard. Face O-ring Seal available (add "P" to end of Part Number) |
| † |
O-ring Kit (P/N SM-T4815S15R-ORINGS) available. Includes EPDM Tank Neck & Riser Port O-rings. |
| ‡ |
SM-US3381015 has 1.6 square inches of slot area & 3-3/8" OAL - made-to-order with minimum quantity requirements View photo |
| § |
SM-US3691510 has 4.2 square inches of slot area &6-3/4" OAL - stock product View photo |
|
|
|
| |
| |
In One Side...Out the Other with Upper Screen/ Diffuser Solvent Welded |

|
| Part Number |
Tank Thread |
Inlet/
Outlet
FNPT |
Center
Riser
Port |
Inlet
Screen
Part No. |
SM-T2581S7-UD1.315 View photo |
2.5" #8 NPSM |
1" |
1" |
Includes solvent welded ABS inlet/ upper diffuser |
SM-T481S7CRPUSUPFLOW View photo |
4" #8 UN |
1" |
1" |
Includes solvent welded ABS inlet/ upper diffuser |
|
|
|
| |
| |
In the Top...Out the Top |
 |
| Part Number |
Tank Thread |
Inlet/
Outlet
FNPT |
Center
Riser
Port |
Inlet
Screen
Part No. |
| SM-T258375T1 |
2.5" #8 NPSM |
3/8" |
13/16" |
SM-MPU14 |
| SM-2585T1 |
2.5" #8 NPSM |
1/2" |
13/16" |
SM-MPU14 |
| SM-T25875T1 |
2.5" #8 NPSM |
3/4" |
13/16" |
SM-MPU14 |
| SM-T4875T1 |
4" #8 UN |
3/4" |
13/16" |
SM-MPU14 |
| SM-T481T6 |
4" #8 UN |
1" |
3/4" |
SM-ST750610 |
| SM-T4575T1 |
4.5" Buttress |
3/4" |
13/16" |
SM-MPU14 |
| SM-T451T6 |
4.5" Buttress |
1" |
3/4" |
SM-ST750610 |
SM-T2585T1P View photo |
2.5" #8 NPSM |
1/2" |
13/16" |
SM-MPU14 |
|
|
| |
| |
In the Side...Out the Top |
 |
| Part Number |
Tank Thread |
Inlet/
Outlet
FNPT |
Center
Riser
Port |
Inlet
Screen
Part No. |
| SM-T258375ST1 |
2.5" #8 NPSM |
3/8" |
13/16" |
SM-MPU14 |
| M-T2585ST1 |
2.5" #8 NPSM |
1/2" |
13/16" |
SM-MPU14 |
| SM-T25875ST1 |
2.5" #8 NPSM |
3/4" |
13/16" |
SM-MPU14 |
| SM-T4875ST1 |
4" #8 UN |
3/4" |
13/16" |
SM-MPU14 |
| SM-T481ST6 |
4" #8 UN |
1" |
3/4" |
SM-ST750610 |
| SM-4575ST1 |
4.5" Buttress |
3/4" |
13/16" |
SM-MPU14 |
| SM-T451ST6 |
4.5" Buttress |
1" |
3/4" |
SM-ST750610 |
|
|
| |
| |
In the Top...Out the Side |
 |
| Part Number |
Tank Thread |
Inlet/
Outlet
FNPT |
Center
Riser
Port |
Inlet
Screen
Part No. |
| SM-T258375TS1 |
2.5" #8 NPSM |
3/8" |
13/16" |
SM-MPU14 |
| SM-T2585TS1 |
2.5" #8 NPSM |
1/2" |
13/16" |
SM-MPU14 |
| SM-T25875TS1 |
2.5" #8 NPSM |
3/4" |
13/16" |
SM-MPU14 |
| SM-T4875TS1 |
4" #8 UN |
3/4" |
13/16" |
SM-MPU14 |
| SM-T481TS6 |
4" #8 UN |
1" |
3/4" |
SM-ST750610 |
| SM-4575TS1 |
4.5" Buttress |
3/4" |
13/16" |
SM-MPU14 |
| SM-T451TS6 |
4.5" Buttress |
1" |
3/4" |
SM-ST750610 |
|
|
|
 |
|
|
| ALSO AVAILABLE: |
| |
| An additional 1/2 inch or 3/4 inch fill hole with plug seal is available. |
| |
| 3/4-inch Plug, molded ABS with EPDM O-ring (P/N SM-PLG75-ABS) View photo |
| |
| An additional 1/2 inch or 3/4 inch DI light hole is available. |
| |
| |
| DI LIGHTS (more info) |
|
| 110 V, 10K Ohm, 1/2" MPT (P/N LC-R7031-10K) |
|
| 110 V, 20K Ohm, 1/2" MPT (P/N LC-R7031-20K) |
|
| 110 V, 50K Ohm, 1/2" MPT (P/N LC-R7031-50K) |
|
| 110 V, 200K Ohm, 1/2" MPT (P/N LC-R7031-200K) |
|
| 110 V, 500K Ohm, 1/2" MPT (P/N LC-R7031-500K) |
|
| 110 V, 1000K Ohm, 1/2" MPT (P/N LC-R7031-1MEG) |
|
| |
|
| 110 V, 10K Ohm, 3/4" MPT (P/N LC-R7046-10K) |
|
| 110 V, 20K Ohm, 3/4" MPT (P/N LC-R7046-20K) |
|
| 110 V, 50K Ohm, 3/4" MPT (P/N LC-R7046-50K) |
|
| 110 V, 200K Ohm, 3/4" MPT (P/N LC-R7046-200K) |
|
| 110 V, 500K Ohm, 3/4" MPT (P/N LC-R7046-500K) |
|
| 110 V, 1000K Ohm, 3/4" MPT (P/N LC-R7046-1MEG) |
|
|
| |
| |
| SCREENS, BASKETS, & STRAINERS |
Inlet Screen, 2-step socket for 0.375 and 0.540 inch O.D. rigid tubing, 0.014 inch screen size (approx. 45 mesh)
(P/N SM-MPU14) View photo |
Upper Basket, molded ABS, for 3/4 inch pipe riser port (1.050 inch O.D.), attaches with two screws (sold separately)
(P/N SM-US105) View photos |
Strainer, machined PVC, 3/4 inch slip connection, 6 inch length, 0.010 slot size
(P/N SM-ST750610) |
Strainer, machined PVC, 1 inch slip connection, 6 inch length, 0.010 slot size
(P/N SM-ST106010) View photo |
|
| |
| |
| REDUCING COUPLINGS — PVC |
13/16 inch socket x 3/4 inch socket with 6 inch length of 13/16 inch PVC rigid tubing
(P/N SM-CP812S75S) View photo |
13/16 inch socket x 13/16 inch socket —OR— 3/4 inch spigot x 13/16 inch socket
(P/N SM-CP8128812SS) |
|
| |